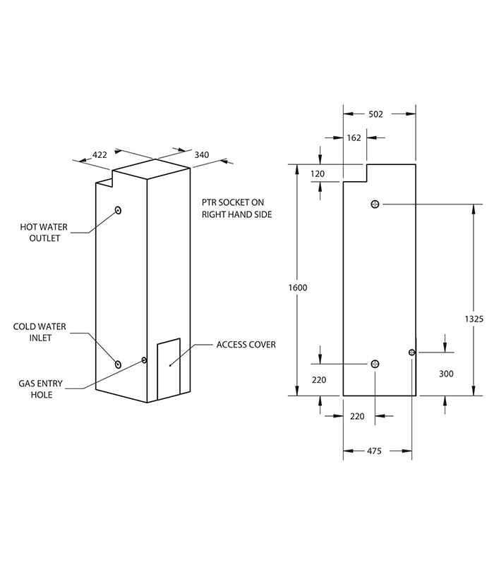
Thermann 4 Star 135L Natural Gas Hot Water System

The Thermann 135L gas storage system is designed for areas needing mediumcapacity hot water to be installed into an outdoor space.
0416 872 001

Request a Quote

Experience our competitive pricing and exceptional service firsthand by requesting a quote for your plumbing needs. We are more than happy to help!

This site is protected by reCAPTCHA and the Google Privacy Policy and Terms of Service apply.